Minirail MN
seria wysokoprecyzyjnych prowadnic liniowych firmy Schneeberger, zaprojektowana z myślą o wymagających aplikacjach, gdzie liczy się kompaktowość, wysoka sztywność i trwałość.
Wózki MNN

Informacje ogólne
Wózki miniaturowej serii MINIRAIL to wysokoprecyzyjne komponenty kulkowe, zaprojektowane do bezluzowego i cichego ruchu liniowego nawet przy bardzo małych wymiarach. Ich konstrukcja pozwala na przenoszenie obciążeń we wszystkich kierunkach. Wykonane ze stali nierdzewnej, idealne do zastosowań w warunkach wymagających sterylności. W celu zwiększenia sztywności systemu istnieje możliwość wyboru opcji bez luzu lub z napięciem wstęnym.
Co wyróżnia wózki Minirail (MN)?
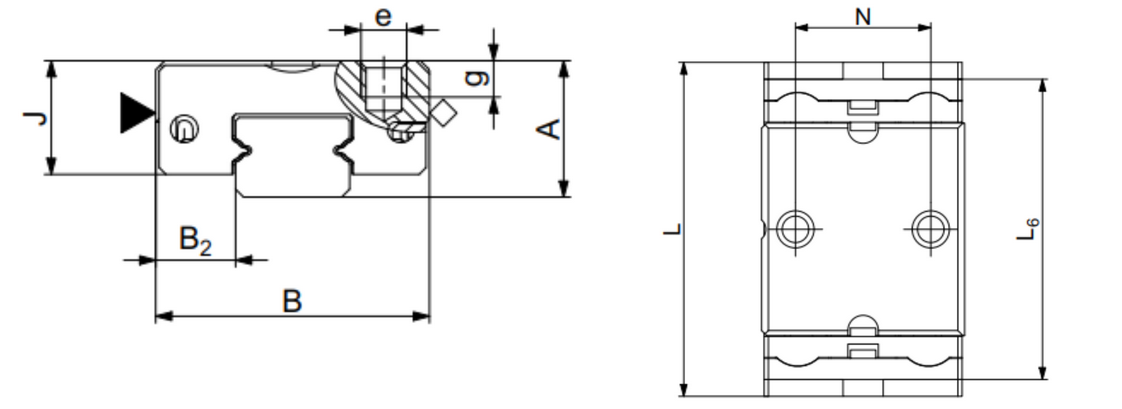
Rysunek techniczny wózków liniowych Minirail (MNN 5)


Tabela wymiarów wózków liniowych Minirail (MNN 5):
| Typ | A | B | B2 | J | L | L6 | N | e | g |
|---|---|---|---|---|---|---|---|---|---|
| MNN 5 | 6 | 12 | 3,5 | 5 | 19,8 | 17,8 | 8 | M2 | 1,6 |
|
Wszystkie wymiary w tabeli w [mm] |
|||||||||
Rysunek techniczny wózków liniowych Minirail (MNN 7, 9, 12, 15)

Tabela wymiarów wózków liniowych Minirail (MNN 7, 9, 12, 15):
| Typ | A | B | B2 | J | L | L1 | L2 | L6 | N | e | g | m1 | o |
|---|---|---|---|---|---|---|---|---|---|---|---|---|---|
| MNNS 7 | 8 | 17 | 5 | 6,5 | 18,6 | - | - | 16,1 | 12 | M2 | 2,5 | 3,1 | 2,5 |
| MNN 7 | 24,6 | 8 | - | 22,1 | |||||||||
| MNNL7 | 32,1 | 13 | - | 29,6 | |||||||||
| MNNXL7 | 41,1 | 20 | 10 | 38,6 | |||||||||
| MNNS 9 | 10 | 20 | 5,5 | 8 | 22 | - | - | 19 | 15 | M3 | 3 | 3,8 | 3,1 |
| MNN 9 | 32 | 10 | - | 29 | |||||||||
| MNNL9 | 40 | 16 | - | 37 | |||||||||
| MNNXL9 | 50 | 26 | 13 | 47 | |||||||||
| MNNS 12 | 13 | 27 | 7,5 | 10 | 23,9 | - | - | 20,9 | 20 | M3 | 3,5 | 4,75 | 3,9 |
| MNN 12 | 36,4 | 15 | - | 33,4 | |||||||||
| MNNL12 | 46,4 | 20 | - | 43,4 | |||||||||
| MNNXL12 | 58,9 | 30 | 15 | 55,9 | |||||||||
| MNS 15 | 16 | 32 | 8,5 | 12 | 31,7 | - | - | 28,7 | 25 | M3 | 4 | 5,55 | 4,9 |
| MNN 15 | 43,7 | 20 | - | 40,7 | |||||||||
| MNNL15 | 58,7 | 25 | - | 55,7 | |||||||||
| MNNXL15 | 73,7 | 40 | 20 | 70,7 | |||||||||
|
Wszystkie wymiary w tabeli w [mm] |
|||||||||||||
Tabela nośności, momentów i masy dla wózków Minirail (MN 7, 9, 12, 15)

| Typ | Nośność | Momenty | Waga [g] | ||||
|---|---|---|---|---|---|---|---|
| C0 [N] | C [N] | M0Q [Nm] | M0L [Nm] | MQ [Nm] | ML [Nm] | ||
| MNNS 7 | 935 | 645 | 3,4 | 1,6 | 2,3 | 1,1 | 9 |
| MNN 7 | 1560 | 925 | 5,6 | 4,3 | 3,3 | 2,5 | 13 |
| MNNL 7 | 2340 | 1230 | 8,4 | 9,3 | 4,4 | 4,9 | 18 |
| MNNXL 7 | 3275 | 1550 | 11,8 | 18 | 5,6 | 8,5 | 23 |
| MNNS 9 | 1385 | 1040 | 6,5 | 2,8 | 4,8 | 2,1 | 16 |
| MNN 9 | 2770 | 1690 | 12,9 | 10,2 | 7,9 | 6,2 | 24 |
| MNNL 9 | 3880 | 2140 | 18,1 | 19,4 | 9,9 | 10,7 | 31 |
| MNNXL 9 | 5270 | 2645 | 24,5 | 35,1 | 12,3 | 17,6 | 40 |
| MNNS 12 | 1735 | 1420 | 10,6 | 3,6 | 8,7 | 3 | 29 |
| MNN 12 | 3900 | 2510 | 23,8 | 16,3 | 15,3 | 10,4 | 47 |
| MNNL 12 | 5630 | 3240 | 34,4 | 32,9 | 19,8 | 18,9 | 63 |
| MNNXL 12 | 7800 | 4070 | 47,6 | 61,8 | 24,8 | 32,2 | 81 |
| MNNS 15 | 3120 | 2435 | 23,7 | 9,4 | 18,5 | 7,3 | 56 |
| MNN 15 | 5620 | 3680 | 42,7 | 28,1 | 27,9 | 18,4 | 81 |
| MNNL 15 | 8740 | 5000 | 66,4 | 65,5 | 38,1 | 37,6 | 114 |
| MNNXL 15 | 11855 | 6200 | 90,1 | 118,6 | 47,1 | 62 | 146 |
| Wartości nośności zostały obliczone zgodnie z DIN 636-2 C0 - nośność statyczna C - nośność dynamiczna (100 km) M0Q, M0L - moment statyczny MQ, ML - moment dynamiczny (100 km) |
|||||||
Rysunek techniczny wózków liniowych Minirail (MNN 14, 18, 24, 42)


Tabela wymiarów wózków liniowych Minirail (MN 14, 18, 24, 42):
| Typ | A | B | B2 | J | L | L1 | L6 | N | e | g | m1 | o |
|---|---|---|---|---|---|---|---|---|---|---|---|---|
| MNN 14 | 9 | 25 | 5,5 | 6,8 | 32,1 | 10 | 29,6 | 19 | M3 | 2,8 | 3,3 | 2,2 |
| MNNL14 | 41,1 | 19 | 38,6 | |||||||||
| MNN 18 | 12 | 30 | 6 | 8,5 | 40 | 12 | 37 | 21 | M3 | 3 | 4,3 | 3,1 |
| MNNL 18 | 50 | 24 | 47 | |||||||||
| MNN 24 | 14 | 40 | 8 | 10 | 46,4 | 15 | 43,4 | 28 | M3 | 3,5 | 4,75 | 3,9 |
| MNNL 24 | 58,9 | 28 | 55,9 | |||||||||
| MNN 42 | 16 | 60 | 9 | 12 | 55,7 | 20 | 52,7 | 45 | M4 | 4,5 | 5,5 | 4,9 |
| MNNL 42 | 73,7 | 35 | 70,7 | |||||||||
|
Wszystkie wymiary w tabeli w [mm] |
||||||||||||
Tabela nośności, momentów i masy dla wózków Minirail (MN 14, 18, 24, 42 )

| Typ | Nośność | Momenty | Waga [g] | |||||
|---|---|---|---|---|---|---|---|---|
| C0 [N] | C [N] | M0Q [Nm] | M0L [Nm] | MQ [Nm] | ML [Nm] | |||
| MNN 14 | 2340 | 1230 | 16,6 | 9,3 | 8,7 | 4,9 | 25 | |
| MNNL 14 | 3275 | 1550 | 23,3 | 18 | 11 | 8,5 | 33 | |
| MNN 18 | 3880 | 2140 | 35,5 | 19,4 | 19,6 | 10,7 | 47 | |
| MNNL 18 | 5270 | 2645 | 48,2 | 35,1 | 24,2 | 17,6 | 60 | |
| MNN 24 | 5630 | 3240 | 68,2 | 32,9 | 39,2 | 18,9 | 84 | |
| MNNL 24 | 7800 | 4070 | 94,4 | 61,8 | 49,3 | 32,2 | 109 | |
| MNN 42 | 8110 | 4750 | 171,2 | 56,8 | 100,3 | 33,3 | 169 | |
| MNNL 42 | 11855 | 6200 | 250,2 | 118,6 | 130,8 | 62 | 231 | |
| Wartości nośności zostały obliczone zgodnie z DIN 636-2 C0 - nośność statyczna C - nośność dynamiczna (100 km) M0Q, M0L - moment statyczny MQ, ML - moment dynamiczny (100 km) |
||||||||






