Minirail MN
A series of high-precision linear guides by Schneeberger, designed for demanding applications where compactness, high rigidity, and durability are essential.
MNN Cariages

General Information
The series of MINIRAIL miniature linear carriages (MNN) consists of high-precision ball bearing components, designed for backlash-free and ultra-quiet linear motion, even in extremely compact dimensions. Their design enables load carrying in all directions. Manufactured from stainless steel, Minirail carriages (MNN) are perfectly suited for applications requiring sterility.
To further increase system rigidity, two options are available: zero clearance or preload.
Why Choose Schneeberger Minirail (MN) Carriages?
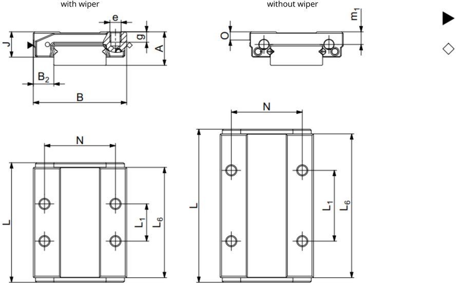
Technical drawing of Minirail Carriages (MNN 5)


Dimension table of Minirail Carriages (MNN 5):
| Type | A | B | B2 | J | L | L6 | N | e | g |
|---|---|---|---|---|---|---|---|---|---|
| MNN 5 | 6 | 12 | 3.5 | 5 | 19.8 | 17.8 | 8 | M2 | 1.6 |
| All dimensions in the table are in [mm], unless stated otherwise. | |||||||||
Technical drawing of Minirail Carriages (MNN 7, 9, 12, 15)

Dimension table of Minirail Carriages (MNN 7, 9, 12, 15):
| Typ | A | B | B2 | J | L | L1 | L2 | L6 | N | e | g | m1 | o |
|---|---|---|---|---|---|---|---|---|---|---|---|---|---|
| MNNS 7 | 8 | 17 | 5 | 6.5 | 18.6 | - | - | 16.1 | 12 | M2 | 2.5 | 3.1 | 2.5 |
| MNN 7 | 24.6 | 8 | - | 22.1 | |||||||||
| MNNL7 | 32.1 | 13 | - | 29.6 | |||||||||
| MNNXL7 | 41.1 | 20 | 10 | 38.6 | |||||||||
| MNNS 9 | 10 | 20 | 5.5 | 8 | 22 | - | - | 19 | 15 | M3 | 3 | 3.8 | 3.1 |
| MNN 9 | 32 | 10 | - | 29 | |||||||||
| MNNL9 | 40 | 16 | - | 37 | |||||||||
| MNNXL9 | 50 | 26 | 13 | 47 | |||||||||
| MNNS 12 | 13 | 27 | 7.5 | 10 | 23.9 | - | - | 20.9 | 20 | M3 | 3.5 | 4.75 | 3.9 |
| MNN 12 | 36.4 | 15 | - | 33.4 | |||||||||
| MNNL12 | 46.4 | 20 | - | 43.4 | |||||||||
| MNNXL12 | 58.9 | 30 | 15 | 55.9 | |||||||||
| MNS 15 | 16 | 32 | 8.5 | 12 | 31.7 | - | - | 28.7 | 25 | M3 | 4 | 5.55 | 4.9 |
| MNN 15 | 43.7 | 20 | - | 40.7 | |||||||||
| MNNL15 | 58.7 | 25 | - | 55.7 | |||||||||
| MNNXL15 | 73.7 | 40 | 20 | 70.7 | |||||||||
| All dimensions in the table are in [mm], unless stated otherwise. | |||||||||||||
Load, Moment and Weight Table of Minirail Carriages (MN 7, 9, 12, 15)

| Type | Load Capacity | Moments | Weight [g] | ||||
|---|---|---|---|---|---|---|---|
| C0 [N] | C [N] | M0Q [Nm] | M0L [Nm] | MQ [Nm] | ML [Nm] | ||
| MNNS 7 | 935 | 645 | 3.4 | 1.6 | 2.3 | 1.1 | 9 |
| MNN 7 | 1560 | 925 | 5.6 | 4.3 | 3.3 | 2.5 | 13 |
| MNNL 7 | 2340 | 1230 | 8.4 | 9.3 | 4.4 | 4.9 | 18 |
| MNNXL 7 | 3275 | 1550 | 11.8 | 18 | 5.6 | 8.5 | 23 |
| MNNS 9 | 1385 | 1040 | 6.5 | 2.8 | 4.8 | 2.1 | 16 |
| MNN 9 | 2770 | 1690 | 12.9 | 10.2 | 7.9 | 6.2 | 24 |
| MNNL 9 | 3880 | 2140 | 18.1 | 19.4 | 9.9 | 10.7 | 31 |
| MNNXL 9 | 5270 | 2645 | 24.5 | 35.1 | 12.3 | 17.6 | 40 |
| MNNS 12 | 1735 | 1420 | 10.6 | 3.6 | 8.7 | 3 | 29 |
| MNN 12 | 3900 | 2510 | 23.8 | 16.3 | 15.3 | 10.4 | 47 |
| MNNL 12 | 5630 | 3240 | 34.4 | 32.9 | 19.8 | 18.9 | 63 |
| MNNXL 12 | 7800 | 4070 | 47.6 | 61.8 | 24.8 | 32.2 | 81 |
| MNNS 15 | 3120 | 2435 | 23.7 | 9.4 | 18.5 | 7.3 | 56 |
| MNN 15 | 5620 | 3680 | 42.7 | 28.1 | 27.9 | 18.4 | 81 |
| MNNL 15 | 8740 | 5000 | 66.4 | 65.5 | 38.1 | 37.6 | 114 |
| MNNXL 15 | 11855 | 6200 | 90.1 | 118.6 | 47.1 | 62 | 146 |
| Load ratings have been calculated in accordance with DIN 636-2 C0 - static load rating C - dynamic load rating (100 km) M0Q, M0L - static moment MQ, ML - dynamic moment (100 km) |
|||||||
Technical drawing of Minirail Carriages (MNN 14, 18, 24, 42)


Dimension table of Minirail Carriages (MN 14, 18, 24, 42):
| Type | A | B | B2 | J | L | L1 | L6 | N | e | g | m1 | o |
|---|---|---|---|---|---|---|---|---|---|---|---|---|
| MNN 14 | 9 | 25 | 5.5 | 6.8 | 32.1 | 10 | 29.6 | 19 | M3 | 2.8 | 3.3 | 2.2 |
| MNNL14 | 41.1 | 19 | 38.6 | |||||||||
| MNN 18 | 12 | 30 | 6 | 8.5 | 40 | 12 | 37 | 21 | M3 | 3 | 4.3 | 3.1 |
| MNNL 18 | 50 | 24 | 47 | |||||||||
| MNN 24 | 14 | 40 | 8 | 10 | 46.4 | 15 | 43.4 | 28 | M3 | 3.5 | 4.75 | 3.9 |
| MNNL 24 | 58.9 | 28 | 55.9 | |||||||||
| MNN 42 | 16 | 60 | 9 | 12 | 55.7 | 20 | 52.7 | 45 | M4 | 4.5 | 5.5 | 4.9 |
| MNNL 42 | 73.7 | 35 | 70.7 | |||||||||
| All dimensions in the table are in [mm], unless stated otherwise. | ||||||||||||
Load, Moment and Weight Table of Minirail Carriages (MN 14, 18, 24, 42 )

| Type | Load Capacity | Moments | Weight [g] | ||||
|---|---|---|---|---|---|---|---|
| C0 [N] | C [N] | M0Q [Nm] | M0L [Nm] | MQ [Nm] | ML [Nm] | ||
| MNN 14 | 2340 | 1230 | 16.6 | 9.3 | 8.7 | 4.9 | 25 |
| MNNL 14 | 3275 | 1550 | 23.3 | 18 | 11 | 8.5 | 33 |
| MNN 18 | 3880 | 2140 | 35.5 | 19.4 | 19.6 | 10.7 | 47 |
| MNNL 18 | 5270 | 2645 | 48.2 | 35.1 | 24.2 | 17.6 | 60 |
| MNN 24 | 5630 | 3240 | 68.2 | 32.9 | 39.2 | 18.9 | 84 |
| MNNL 24 | 7800 | 4070 | 94.4 | 61,8 | 49.3 | 32.2 | 109 |
| MNN 42 | 8110 | 4750 | 171.2 | 56.8 | 100.3 | 33.3 | 169 |
| MNNL 42 | 11855 | 6200 | 250.2 | 118.6 | 130.8 | 62 | 231 |
| Load ratings have been calculated in accordance with DIN 636-2 C0 - static load rating C - dynamic load rating (100 km) M0Q, M0L - static moment MQ, ML - dynamic moment (100 km) |
|||||||






