Wózki Toczne
to na ogół kompaktowe moduły toczne, które w połączeniu z prowadnicami liniowymi eliminują problem ograniczonego skoku i zapewniają wysoką precyzję oraz równomierny rozkład obciążeń we wszystkich kierunkach.
NRT

Informacje ogólne
Wyposażona w wałeczki łożyskowe jednostka recyrkulacyjna typu NRT, to komponent zaprojektowany do pracy w wymagających aplikacjach przy średnich i dużych obciążeniach, zapewniający wysoką sztywność i precyzję.
Są one szczególnie polecane tam, gdzie oczekuje się wysokiej płynności ruchu oraz minimalnych sił bocznych działających na układ. Dodatkowo, dzięki swojej przemyślanej geometrii jednostki NRT zapewniają wyjątkowo niskie pulsacje ruchu co ma swoje przełożenie na bardzo wysoką precyzję pozycjonowania.
Parametry
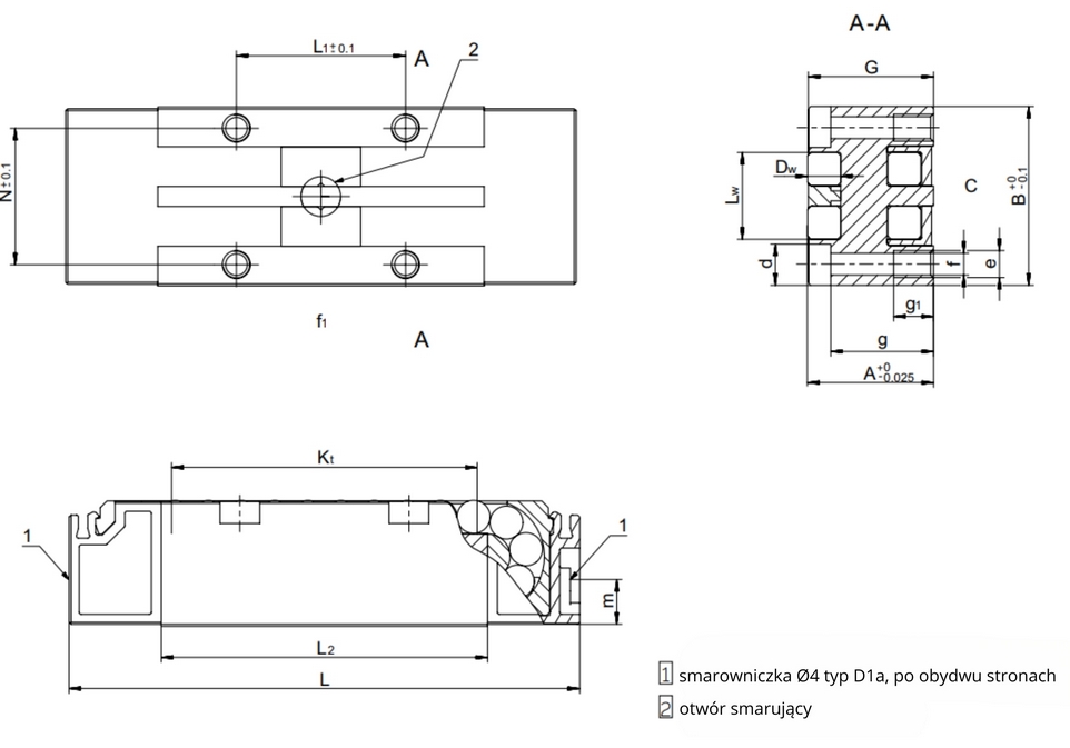
Rysunek techniczny jednostki recyrkulacyjnej typu NRT

Tabela wymiarów jednostek recyrkulacyjnych NRT
|
Typ i rozmiar
|
Waga [g]
|
A
|
B
|
Dw
|
G
|
Kt
|
L
|
L1
|
L2
|
Lw
|
N
|
d
|
e
|
f
|
f1
|
g
|
g1
|
m
|
C[N]
|
Opcje dodatkowe
|
|---|---|---|---|---|---|---|---|---|---|---|---|---|---|---|---|---|---|---|---|---|
| NRT 19077 |
185
|
19 | 27 | 5 | 18,85 | 45 | 77 | 25,5 | 49,2 | 13 | 20,6 | 6 | M4 | 3,3 | 6 | 15,5 | 6 | 5,3 | 43 000 | GP ZS |
| NRT 26111 | 570 | 26 | 40 | 7 | 25,85 | 70 | 111 | 44 | 75,6 | 19 | 30 | 8 | M6 | 5 | 9 | 20 | 10 | 10,3 | 98 000 | GP ZS |
| NRT 26132 | 721 | 91 | 132 | 68 | 96,6 | 20,6 | 120 000 | GP ZS |
||||||||||||
| NRT 38144 | 1390 | 38 | 52 | 10 | 37,8 | 90 | 144 | 51 | 96,8 | 26 | 41 | 11 | M8 | 6,8 | 11 | 29 | 14 | 14,5 | 181 000 | GP ZS |









