Wózki Toczne
to na ogół kompaktowe moduły toczne, które w połączeniu z prowadnicami liniowymi eliminują problem ograniczonego skoku i zapewniają wysoką precyzję oraz równomierny rozkład obciążeń we wszystkich kierunkach.
SK/ SKD

Informacje ogólne
Wyposażona w kulki łożyskowe jednostka recyrkulacyjna typu SK, to hartowany i precyzyjnie szlifowany komponent idealnie nadający się do pracy przy mniejszych i średnich obciążeniach. Jednostka liniowa typu SK przeznaczona jest do współpracy z prowadnicami liniowymi firmy Schneeberger typu R i/lub RD. Rozwiązanie to znajduje swoje zastosowanie głównie tam, gdzie liczy się oszczędność miejsca, a obciążenia są jednakowe we wszystkich kierunkach.
Jednostki liniowe typu SK w rozmiarze 6 i 9 (oraz 12, na zapytanie) mogą zostać dodatkowo wyposażone w elementy tłumiące (oznaczenie SKD), które dodatkowo poprawiają płynność ruchu nieznacznie zmniejszając jednak dopuszczalne obciążenia.
Parametry
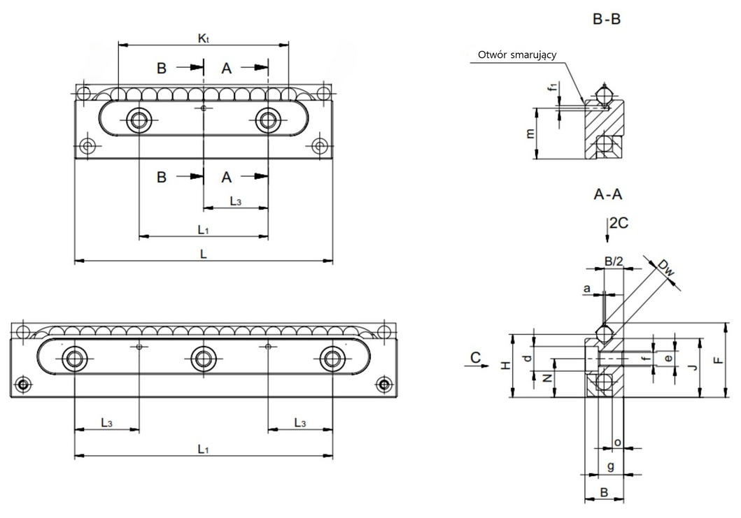
Rysunek techniczny jednostki recyrkulacyjnen typu SR

Tabela wymiarów jednostek recyrkulacyjnych SK, SKD
|
Typ i rozmiar
|
Waga [g]
|
B
|
Dw
|
F
|
H
|
J
|
Kt
|
L
|
L1
|
L3
|
N
|
a
|
d
|
e
|
f
|
f1
|
g
|
m
|
o
|
C[N]
|
Opcje dodatkowe
|
|
|---|---|---|---|---|---|---|---|---|---|---|---|---|---|---|---|---|---|---|---|---|---|---|
|
SK
|
SKD
|
|||||||||||||||||||||
|
SK 1-022
|
5
|
4
|
1,5
|
8,4
|
7,25
|
6,9
|
9
|
22
|
10
|
-
|
4,8
|
0,3
|
3
|
M2
|
1,65
|
-
|
2,6
|
-
|
1,2
|
63
|
-
|
GP
|
|
SK 2-032
|
10
|
6
|
2
|
11
|
9,5
|
9
|
16
|
32
|
15
|
-
|
6
|
0,3
|
4,4
|
M3
|
2,55
|
-
|
4
|
-
|
1,9
|
135
|
-
|
GP
|
|
SK 3-075
|
45
|
8
|
3
|
16,9
|
14,4
|
13,8
|
48
|
75
|
25
|
12,5
|
9
|
0,5
|
6
|
M4
|
3,3
|
1,5
|
4,9
|
11,5
|
2,4
|
425
|
-
|
GP
|
|
SK 6-100
|
200
|
15
|
6
|
28,9
|
24,5
|
22,9
|
60
|
100
|
50
|
25
|
15
|
1
|
9,5
|
M6
|
5,2
|
2
|
9,8
|
19,7
|
4,4
|
715
|
650
|
GP
|
|
SK 6-150
|
300
|
102
|
150
|
2x50
|
1170
|
1100
|
GP
|
|||||||||||||||
|
SK 9-150
|
670
|
22
|
9
|
45,1
|
39
|
36,7
|
90
|
150
|
100
|
50
|
26
|
1,5
|
10,5
|
M8
|
6,8
|
3
|
15,8
|
32,4
|
6,3
|
1650
|
1500
|
GP
|
|
SK 9-200
|
940
|
144
|
200
|
2550
|
2400
|
GP
|
||||||||||||||||
|
SK 12-200
|
1470
|
28
|
12
|
57,1
|
49
|
45,9
|
120
|
200
|
100
|
50
|
32
|
2
|
13,5
|
M10
|
8,5
|
3
|
19,8
|
40,2
|
7,7
|
2860
|
2600
|
GP
|









