Tuleje łożyskowe
Tuleje łożyskowe to kluczowy element każdego systemu prowadzenia liniowego. Zapewniają płynny, precyzyjny i bezawaryjny ruch wzdłuż wałków prowadzących, minimalizując tarcie i zużycie komponentów.
LMEF
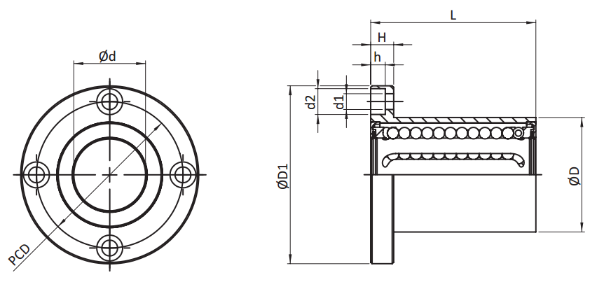
Liniowe tuleje łożyskowe typu LMEF (seria okrągła z kołnierzem, wersja standardowa)
Rysunek techniczny tulei łożyskowej typu LMEF

Tabela wymiarów tulei łożyskowej typu LMEF
|
Typ
|
Ød
|
ØD
|
ØD1
|
L
±0,3 |
H
|
PCD
|
d1xd2xh
|
Nośn. dyn.
C* [N] |
Nośn. stat.
C0* [N] |
Masa
[kg] |
|---|---|---|---|---|---|---|---|---|---|---|
|
LMEF-08
|
8
|
16
|
32
|
25
|
5
|
24
|
3,5x6x3,1
|
265
|
402
|
0,05
|
|
LMEF-12
|
12
|
22
|
42
|
32
|
6
|
32
|
4,5x7,5x4,1
|
510
|
784
|
0,08
|
|
LMEF-16
|
16
|
26
|
46
|
36
|
6
|
36
|
4,5x7,5x4,1
|
578
|
892
|
0,11
|
|
LMEF-20
|
20
|
32
|
54
|
45
|
8
|
43
|
5,5x9x5,1
|
862
|
1370
|
0,19
|
|
LMEF-25
|
25
|
40
|
62
|
58
|
8
|
51
|
5,5x9x5,1
|
980
|
1570
|
0,34
|
|
LMEF-30
|
30
|
47
|
76
|
68
|
10
|
62
|
6,6x11x6,1
|
1570
|
2740
|
0,56
|
|
LMEF-40
|
40
|
62
|
98
|
80
|
13
|
80
|
9x14x8,1
|
2160
|
4020
|
1,18
|
|
LMEF-50
|
50
|
75
|
112
|
100
|
13
|
94
|
9x14x8,1
|
3820
|
7940
|
1,75
|
|
LMEF-60
|
60
|
90
|
134
|
125
|
18
|
112
|
11x17x11,1
|
4700
|
9800
|
3,22
|
| Wszystkie wymiary w tabeli w [mm], jeśli nie podano innej jednostki. *Wartości nośności dla wałków prowadzących szlifowanych i hartowanych (min. 59 HRC). *Dla wałków prowadzących o niższej twardości, nośności efektywne wynoszą: - dla WRA: Cef = 0,74·C Coef=0,8·Co - dla WRB: Cef = 0,63·C Coef=0,7·Co |
||||||||||
Designation Method
|
|
LMEF
|
20
|
UU
|
|---|---|---|---|
| Seria | |||
| Rozmiar | |||
| Wewnętrzne zgarniacze |
















