Rollico

Tuleje łożyskowe - SPM

Tuleje łożyskowe

Tuleje łożyskowe to kluczowy element każdego systemu prowadzenia liniowego. Zapewniają płynny, precyzyjny i bezawaryjny ruch wzdłuż wałków prowadzących, minimalizując tarcie i zużycie komponentów.

Liniowe tuleje łożyskowe typu SPM z wyrównaniem błędu prowadzenia (wersja otwarta i zamknięta)

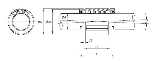
Rysunek techniczny tulei łożyskowej typu SPM

Tabela wymiarów tulei łożyskowej typu SPM

Typ
Ød
ØD
L
L1
L2
ØD1
W
(°)
G
J
Nośn. dyn. C*
[N]
Nośn. stat. C0*
[N]
Masa
[kg]
SPM-12
12
22
32
22,3
1,3
21,0
7,0
70
-
0,7
1060
1170
0,02
SPM-16
16
26
36
24,6
1,3
24,9
9,8
70
-
1,0
1280
1410
0,03
SPM-20
20
32
45
31,2
1,6
30,3
10,5
58
-
1,0
2100
2310
0,06
SPM-25
25
40
58
43,7
1,85
37,5
13
60
1,5
1,5
4130
4540
0,13
SPM-30
30
47
68
51,7
1,85
44,5
15,3
60
2,0
2,2
5020
5520
0,19
SPM-40
40
62
80
60,3
2,15
59,0
21,4
58
1,5
2,7
8620
9480
0,36
SPM-50
50
75
100
77,3
2,65
71,5
24
55
2,5
2,7
12060
13270
0,66
Wszystkie wymiary w tabeli w [mm], jeśli nie podano innej jednostki.
*Wartości nośności dla wałków prowadzących szlifowanych i hartowanych (min. 59 HRC).
*Dla wałków prowadzących o niższej twardości, nośności efektywne wynoszą:
- dla WRA: Cef = 0,74·C   Coef=0,8·Co
- dla WRB: Cef = 0,63·C   Coef=0,7·Co

Sposób oznaczania

 
SPM
20
OPN
WW
Seria        
Rozmiar        
Typ otwarty        
Wewnętrzne zgarniacze        

Precyzja

Tolerancja sortowania
nawet do 0,5 µm

Jakość

System zarządzania
jakością ISO 9001:2015

Doświadczenie

Ponad 20 lat doświadczenia
w technice liniowej.

Personalizacja

Produkujemy elementy pod
indywidualne wymagania.

Some Action Some Action