Wsporniki końcowe
Wykonane z aluminium wsporniki końcowe wałków prowadzących zapewniają stabilne i precyzyjne zamocowanie, stanowiąc balans pomiędzy sztywnością a niską masą, co czyni je odpowiednim wyborem do układów o wysokiej dynamice i ograniczonej masie własnej.
IFWB
Wsporniki kołnierzowe typu IFWB (seria kołnierzowa)
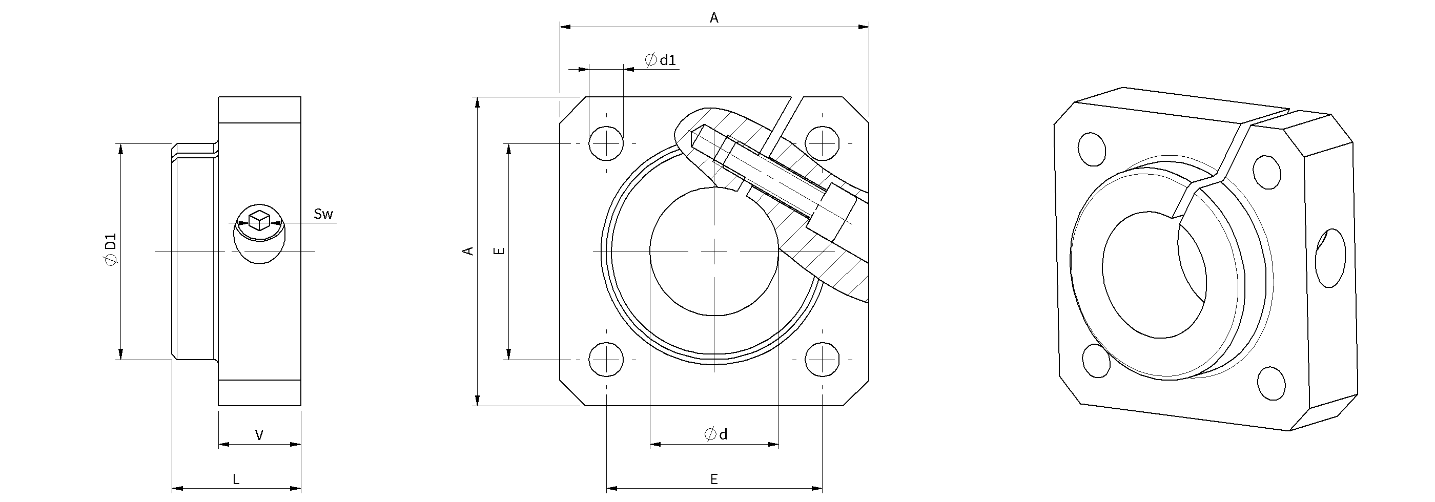
Rysunek techniczny wspornika końcowego typu IFWB

Tabela wymiarów wspornika końcowego typu IFWB
|
Typ
|
Ød
|
A
|
L
|
ØD1
|
E
|
V
|
Ød1
|
SW
|
Masa
[kg] |
|---|---|---|---|---|---|---|---|---|---|
|
IFWB-12
|
12
|
40
|
20
|
23,5
|
30
|
12
|
5,5
|
3
|
0,06
|
|
IFWB-16
|
16
|
50
|
20
|
27,5
|
35
|
12
|
5,5
|
3
|
0,08
|
|
IFWB-20
|
20
|
50
|
23
|
33,5
|
38
|
14
|
6,6
|
4
|
0,10
|
|
IFWB-25
|
25
|
60
|
25
|
42,0
|
42
|
16
|
6,6
|
5
|
0,15
|
|
IFWB-30
|
30
|
70
|
30
|
49,5
|
54
|
19
|
9
|
6
|
0,30
|
|
IFWB-40
|
40
|
100
|
40
|
65,0
|
68
|
26
|
11
|
8
|
0,70
|
|
IFWB-50
|
50
|
100
|
50
|
75,0
|
75
|
36
|
11
|
8
|
1,20
|
| Wszystkie wymiary w tabeli w [mm], jeśli nie podano innej jednostki. | |||||||||
AlAluminium












