Obudowy łożyskowe
Obudowy tulei łożyskowych to solidna baza dla precyzyjnego prowadzenia. Ich zastosowanie upraszcza proces projektowania i montażu systemów liniowych, redukuje czas serwisowania i zwiększa powtarzalność działania.
IALGS
Obudowy tulei łożyskowych typu IALGS (seria standardowa zamknięta)
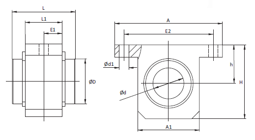
Rysunek techniczny obudowy IALGS

Tabela wymiarów obudowy typu IALGS
|
Typ
|
Ød
|
ØD
|
H
|
h
±0,015 |
A
|
A1
|
L
|
L1
|
T1
|
E1
|
E2
±0,15 |
Ød1
|
Masa
[kg] |
|---|---|---|---|---|---|---|---|---|---|---|---|---|---|
|
IALGS-12
|
12
|
22
|
35
|
18
|
52
|
30
|
32
|
20
|
6
|
10
|
42
|
5,3
|
0,09
|
|
IALGS-16
|
16
|
26
|
40,5
|
22
|
56
|
34
|
36
|
22
|
7
|
11
|
46
|
5,3
|
0,12
|
|
IALGS-20
|
20
|
32
|
48
|
25
|
70
|
40
|
45
|
28
|
8
|
14
|
58
|
6,4
|
0,25
|
|
IALGS-25
|
25
|
40
|
58
|
30
|
80
|
50
|
58
|
40
|
10
|
20
|
68
|
6,4
|
0,49
|
|
IALGS-30
|
30
|
47
|
67
|
35
|
88
|
58
|
68
|
48
|
10
|
24
|
76
|
6,4
|
0,78
|
|
IALGS-40
|
40
|
62
|
85
|
45
|
108
|
74
|
80
|
56
|
12
|
28
|
94
|
8,4
|
1,28
|
|
IALGS-50
|
50
|
75
|
100
|
50
|
135
|
96
|
100
|
72
|
12
|
36
|
116
|
10,5
|
1,70
|
| Wszystkie wymiary w tabeli w [mm], jeśli nie podano innej jednostki. Śruby ustalające zgodne z DIN 912-8.8, podkładki sprężyste zgodne z DIN 7980. Nośność zgodnie ze specyfikacją łożyska. Otwór smarujący M8x1. * Masa obudowy wraz z łożyskiem |
|||||||||||||
Sposób oznaczania
|
Obudowa
|
IALGS
|
20
|
|
|---|---|---|---|
| Seria | |||
| Rozmiar |
|
Obudowa z łożyskiem
|
IALGS
|
20
|
LME_UU
|
|---|---|---|---|
| Seria | |||
| Rozmiar | |||
| Lożysko liniowe (zgodnie z życzeniem klienta): LME_UU, SBE_UU, SPM_UU |
|||
AlAluminium
























