Obudowy łożyskowe
Obudowy tulei łożyskowych to solidna baza dla precyzyjnego prowadzenia. Ich zastosowanie upraszcza proces projektowania i montażu systemów liniowych, redukuje czas serwisowania i zwiększa powtarzalność działania.
IGSE
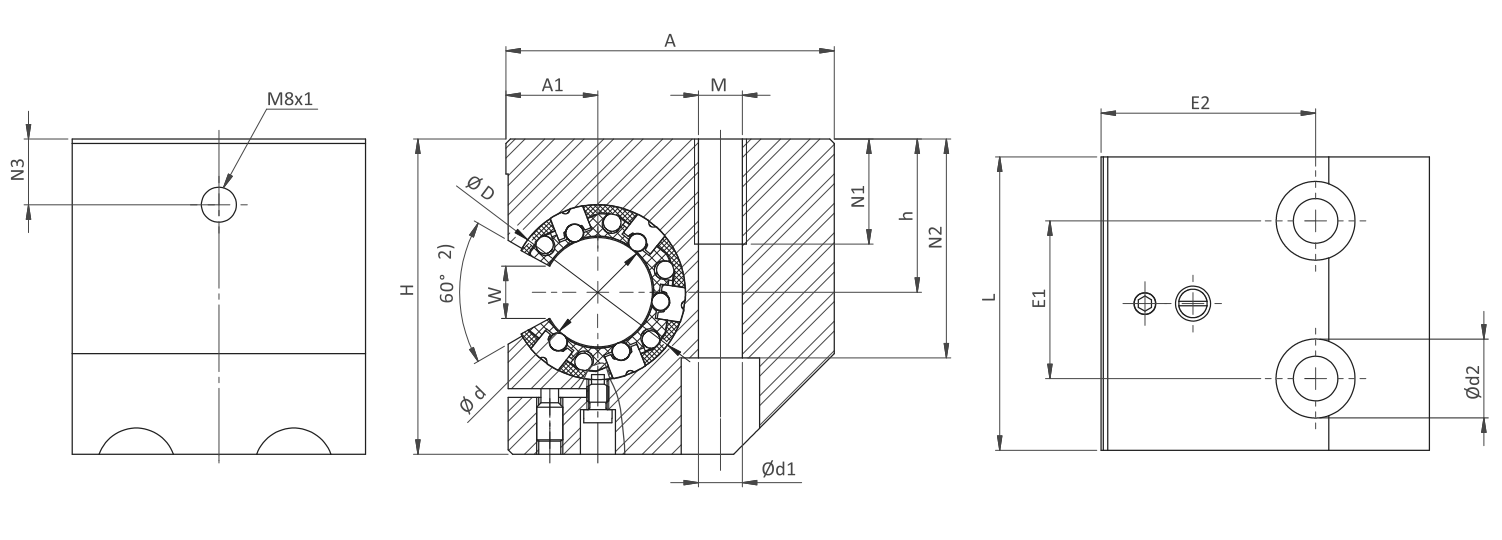
Obudowy tulei łożyskowych typu IGSE (obudowa boczna otwarta z regulacją luzu)
Rysunek techniczny obudowy łożyskowej typu IGSE

Uwaga! Na rysunku pokazana jest obudowa w formie zmontowanej razem z tuleją łożyskową.
Tabela wymiarów obudowy łożyskowej typu IGSE
|
Typ
|
Ød
|
ØD
|
H
|
h
±0,015 |
A
|
A1
±0,02 |
L
|
E1
|
E2
|
N1
|
N2
|
N3
|
Ød1
|
Ød2
|
M
|
W1)
|
Masa*
[kg] |
|---|---|---|---|---|---|---|---|---|---|---|---|---|---|---|---|---|---|
|
IGSE-20
|
20
|
32
|
60
|
30
|
60
|
17
|
54
|
30
|
39
|
22
|
42
|
30
|
8,6
|
15
|
M10
|
10
|
0,42
|
|
IGSE-25
|
25
|
40
|
72
|
35
|
75
|
21
|
67
|
36
|
49
|
26
|
50
|
35
|
10,3
|
18
|
M12
|
12,5
|
0,80
|
|
IGSE-30
|
30
|
47
|
82
|
40
|
86
|
25
|
79
|
42
|
59
|
34
|
55
|
40
|
13,5
|
20
|
M16
|
12,5
|
1,20
|
|
IGSE-40
|
40
|
62
|
100
|
45
|
110
|
32
|
91
|
48
|
75
|
43
|
67
|
45
|
17,5
|
26
|
M20
|
16,8
|
2,00
|
| Wszystkie wymiary w tabeli w [mm], jeśli nie podano innej jednostki. Śruby ustalające zgodne z DIN 912-8.8, podkładki sprężyste zgodne z DIN 7980. Nośność zgodnie ze specyfikacją łożyska. Otwór smarujący M8x1. Pozycja łożyska ustalona przez śrubę. 1) wartości dla serii LME..UUOP 2) kąt obudowy; uwaga na kąt zastosowanego łożyska * Masa obudowy wraz z łożyskiem. |
|||||||||||||||||
Sposób oznaczania
|
Obudowa
|
IGSE
|
20
|
|
|
|---|---|---|---|---|
| Seria | ||||
| Rozmiar |
|
Obudowa z łożyskiem
|
IGSE
|
20
|
LME_UU_OP
|
V
|
|---|---|---|---|---|
| Seria | ||||
| Rozmiar | ||||
| Łożysko liniowe (zgodnie z życzeniem klienta): LME_UU_OP, SBEO_UU, SPM_OPN_WW |
||||
| Dodatkowe zgarniacze czołowe | ||||
AlAluminium
























