Rollico

Obudowy łożyskowe - IGOE

Obudowy łożyskowe

Obudowy tulei łożyskowych to solidna baza dla precyzyjnego prowadzenia. Ich zastosowanie upraszcza proces projektowania i montażu systemów liniowych, redukuje czas serwisowania i zwiększa powtarzalność działania.

Obudowy tulei łożyskowych typu IGOE (obudowa pojedyncza otwarta z regulacją luzu)

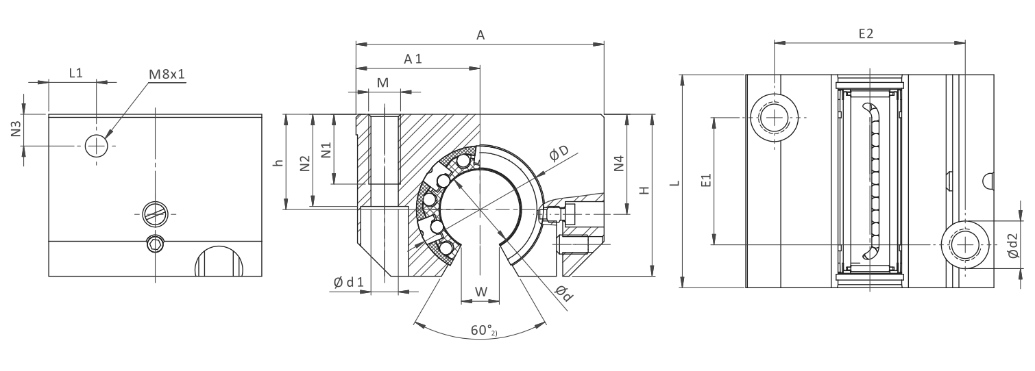
Rysunek techniczny obudowy łożyskowej typu IGOE

Uwaga! Na zdjęciu oraz rysunku pokazana jest obudowa w formie zmontowanej razem z tuleją łożyskową.
Kształt produktu może nieznacznie odbiegać od przedstawionego na zdjęciu/rysunku.

Tabela wymiarów obudowy łożyskowej typu IGOE

Typ
Ød
ØD
H
h
+0,01
-0,02
A
A1
±0,02
L
E1
±0,15
E2
±0,15
N1
N2
N3
L1
N4
Ød1
Ød2
M
W1)
Masa*
[kg]
IGOE-12
12
22
28
18
43
21,5
39
23
32
11
16,5
10
10,5
16,65
4,2
8
M5
7,5
0,11
IGOE-16
16
26
35
22
53
26,5
43
26
40
13
21
10
11,5
22
5,2
10
M6
10
0,17
IGOE-20
20
32
42
25
60
30
54
32
45
18
24
10
13,5
25
6,8
11
M8
10
0,30
IGOE-25
25
40
51
30
78
39
67
40
60
22
29
10
15
31,5
8,6
15
M10
12,5
0,57
IGOE-30
30
47
60
35
87
43,5
79
45
68
22
34
11,5
16
33
8,6
15
M10
12,5
0,86
IGOE-40
40
62
77
45
108
54
91
58
86
26
44
14
18
43,5
10,3
18
M12
16,8
1,60
IGOE-50
50
75
88
50
132
66
113
50
108
34
49
12,5
20
47,5
14
20
M16
21
2,20
Wszystkie wymiary w tabeli w [mm], jeśli nie podano innej jednostki.
Śruby ustalające zgodne z DIN 912-8.8, podkładki sprężyste zgodne z DIN 7980.
Nośność zgodnie ze specyfikacją łożyska.
Otwór smarujący M8x1.
Pozycja łożyska ustalona przez śrubę.
1) wartości dla serii LME..UUOP
2) kąt obudowy; uwaga na kąt zastosowanego łożyska
* Masa obudowy wraz z łożyskiem

Sposób oznaczania

Obudowa
IGOE
20
 
 
Seria        
Rozmiar        
Obudowa z łożyskiem
IGOE
20
LME_UU_OP
V
Seria        
Rozmiar        
Łożysko liniowe (zgodnie z życzeniem klienta):
LME_UU_OP, SBEO_UU, SPM_OPN_WW
     
Dodatkowe zgarniacze czołowe        
AlAluminium

Precyzja

Tolerancja sortowania
nawet do 0,5 µm

Jakość

System zarządzania
jakością ISO 9001:2015

Doświadczenie

Ponad 20 lat doświadczenia
w technice liniowej.

Personalizacja

Produkujemy elementy pod
indywidualne wymagania.

Some Action Some Action