Obudowy łożyskowe
Obudowy tulei łożyskowych to solidna baza dla precyzyjnego prowadzenia. Ich zastosowanie upraszcza proces projektowania i montażu systemów liniowych, redukuje czas serwisowania i zwiększa powtarzalność działania.
ITGE
Obudowy tulei łożyskowych typu ITGE (obudowa podwójna zamknięta z regulacją luzu)
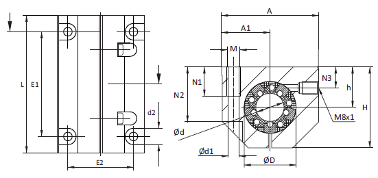
Rysunek techniczny obudowy łożyskowej typu ITGE

Uwaga! Na rysunku pokazana jest obudowa w formie zmontowanej razem z tuleją łożyskową.
Kształt produktu może nieznacznie odbiegać od przedstawionego na zdjęciu/rysunku
Tabela wymiarów obudowy łożyskowej typu ITGE
|
Typ
|
Ød
|
ØD
|
H
|
h
+0,01 -0,02 |
A
|
A1
±0,02 |
L
|
E1
±0,15 |
E2
±0,15 |
N1
|
N2
|
N3
|
Ød1
|
d2
|
M
|
Masa*
[kg] |
|---|---|---|---|---|---|---|---|---|---|---|---|---|---|---|---|---|
|
ITGE-08
|
8
|
16
|
28
|
13
|
35
|
17,5
|
62
|
50
|
25
|
11
|
19,5
|
8
|
4,2
|
8
|
M5
|
0,15
|
|
ITGE-12
|
12
|
22
|
35
|
18
|
43
|
21,5
|
76
|
56
|
32
|
11
|
25
|
10
|
4,2
|
8
|
M5
|
0,27
|
|
ITGE-16
|
16
|
26
|
42
|
22
|
53
|
26,5
|
84
|
64
|
40
|
13
|
30
|
12
|
5,2
|
10
|
M6
|
0,41
|
|
ITGE-20
|
20
|
32
|
50
|
25
|
60
|
30
|
104
|
76
|
45
|
18
|
34
|
13
|
6,8
|
11
|
M8
|
0,72
|
|
ITGE-25
|
25
|
40
|
60
|
30
|
78
|
39
|
130
|
94
|
60
|
22
|
40
|
15
|
8,6
|
15
|
M8
|
1,35
|
|
ITGE-30
|
30
|
47
|
70
|
35
|
87
|
43,5
|
152
|
106
|
68
|
22
|
48
|
16
|
8,6
|
15
|
M10
|
2,01
|
|
ITGE-40
|
40
|
62
|
90
|
45
|
108
|
54
|
176
|
124
|
86
|
26
|
60
|
20
|
10,3
|
18
|
M12
|
3,67
|
|
ITGE-50
|
50
|
79
|
105
|
50
|
132
|
66
|
224
|
160
|
108
|
34
|
49
|
20
|
14
|
20
|
M16
|
4,7
|
| Wszystkie wymiary w tabeli w [mm], jeśli nie podano innej jednostki. Śruby ustalające zgodne z DIN 912-8.8, podkładki sprężyste zgodne z DIN 7980. Nośność zgodnie ze specyfikacją łożyska. Otwór smarujący M8x1. Pozycja łożyska ustalona przez pierścień osadczy zgodny z DIN 472. * Masa obudowy wraz z łożyskiem. |
||||||||||||||||
Sposób oznaczania
|
Obudowa
|
ITGE
|
20
|
|
|
|---|---|---|---|---|
| Seria | ||||
| Rozmiar |
|
Obudowa z łożyskiem
|
ITGE
|
20
|
LME_UU_AJ
|
V |
|---|---|---|---|---|
| Seria | ||||
| Rozmiar | ||||
| Łożysko liniowe (zgodnie z życzeniem klienta): LME_UU_AJ, SBE_UU, SPM_WW |
||||
| Dodatkowe zgarniacze czołowe | ||||
AlAluminium
























