Obudowy łożyskowe
Obudowy tulei łożyskowych to solidna baza dla precyzyjnego prowadzenia. Ich zastosowanie upraszcza proces projektowania i montażu systemów liniowych, redukuje czas serwisowania i zwiększa powtarzalność działania.
IG
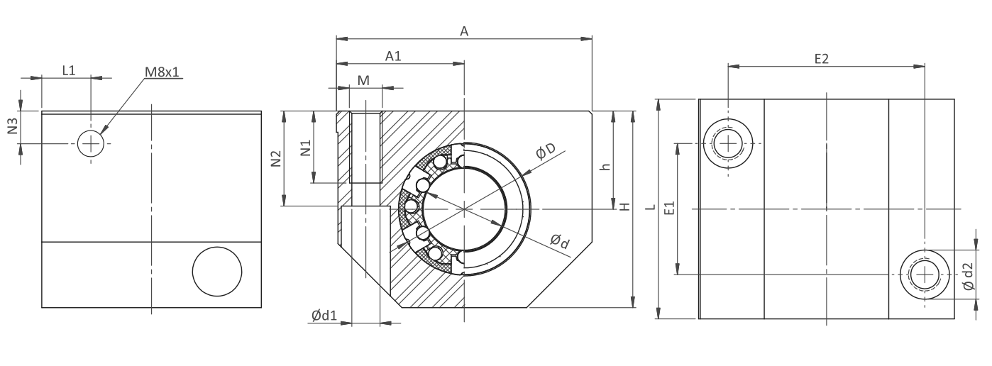
Obudowy tulei łożyskowych typu IG (obudowa pojedyncza zamknięta)
Rysunek techniczny obudowy łożyskowej typu IG

Uwaga! Na rysunku pokazana jest obudowa w formie zmontowanej razem z tuleją łożyskową.
Kształt produktu może nieznacznie odbiegać od przedstawionego na zdjęciu/rysunku.
Tabela wymiarów obudowy łożyskowej typi IG
|
Typ
|
Ød
|
ØD
|
H
|
h
+0,01 -0,02 |
A
|
A1
±0,02 |
L
|
N1
|
N2
|
N3
|
L1
|
E1
±0,15 |
E2
±0,15 |
Ød1
|
Ød2
|
M
|
Masa*
[kg] |
|---|---|---|---|---|---|---|---|---|---|---|---|---|---|---|---|---|---|
|
IG-12
|
12
|
22
|
35
|
18
|
43
|
21,5
|
39
|
13
|
16,5
|
10
|
10,5
|
23
|
32
|
4,2
|
8
|
M5
|
0,13
|
|
IG-16
|
16
|
26
|
42
|
22
|
53
|
26,5
|
43
|
13
|
21
|
10
|
11,5
|
26
|
40
|
5,2
|
10
|
M6
|
0,20
|
|
IG-20
|
20
|
32
|
50
|
25
|
60
|
30
|
54
|
18
|
24
|
10
|
13,5
|
32
|
45
|
6,8
|
11
|
M8
|
0,34
|
|
IG-25
|
25
|
40
|
60
|
30
|
78
|
39
|
67
|
22
|
29
|
10
|
15
|
40
|
60
|
8,6
|
15
|
M10
|
0,65
|
|
IG-30
|
30
|
47
|
70
|
35
|
87
|
43,5
|
79
|
22
|
34
|
11,5
|
16
|
45
|
68
|
8,6
|
15
|
M10
|
0,97
|
|
IG-40
|
40
|
62
|
90
|
45
|
108
|
54
|
91
|
26
|
44
|
14
|
18
|
58
|
86
|
10,3
|
18
|
M12
|
1,80
|
|
IG-50
|
50
|
75
|
105
|
50
|
132
|
66
|
115
|
34
|
49
|
12,5
|
22
|
50
|
108
|
14
|
20
|
M16
|
2,40
|
| Wszystkie wymiary w tabeli w [mm], jeśli nie podano innej jednostki. Śruby ustalające zgodne z DIN 912-8.8, podkładki sprężyste zgodne z DIN 7980 Nośność zgodnie ze specyfikacją łożyska. Otwór smarujący M8x1. Pozycja łożyska ustalona przez pierścień osadczy zgodny z DIN 472. * Masa obudowy wraz z łożyskiem |
|||||||||||||||||
Sposób oznaczania
|
Obudowa
|
IG
|
20
|
|
|
|---|---|---|---|---|
| Seria | ||||
| Rozmiar |
|
Obudowa z łożyskiem
|
IG
|
20
|
LME_UU
|
V
|
|---|---|---|---|---|
| Seria | ||||
| Rozmiar | ||||
| Łożysko liniowe (zgodnie z życzeniem klienta): LME_UU, SBE_UU, SPM_WW |
||||
| Dodatkowe zgarniacze czołowe | ||||
AlAluminium
























